2025年12月9日付けで富士フイルムの気になる特許出願が公開。フルサイズを超えるフォーマット向けの光学系「28mm F4」「35mm F4」を想定したような実施例をいくつか掲載しています。
概要
- 【公開番号】特開2025-178957(P2025-178957A)
- 【公開日】令和7年12月9日(2025.12.9)
- 【出願日】令和6年5月27日(2024.5.27)
- 【出願人】
【識別番号】306037311
【氏名又は名称】富士フイルム株式会社- 【課題】小型に構成され、かつ良好な光学性能を有する撮像レンズ、およびこの撮像レンズを備えた撮像装置を提供する。
- 【背景技術】
【0002】
従来、カメラ等に用いられる撮像レンズとして、下記特許文献1に記載のレンズ系が知られている。- 【発明が解決しようとする課題】
【0004】
小型に構成され、かつ良好な光学性能を有する撮像レンズが要望されている。これらの要求レベルは、年々高まっている。- 【0005】
本開示は、小型に構成され、かつ良好な光学性能を有する撮像レンズ、およびこの撮像レンズを備えた撮像装置を提供する。実施例1
- 焦点距離:28.3822
- F値:4.12
- 画角:81.4
- バックフォーカス:5.1540
実施例2
- 焦点距離:35.6183
- F値:4.12
- 画角:80.8
- バックフォーカス:5.4299
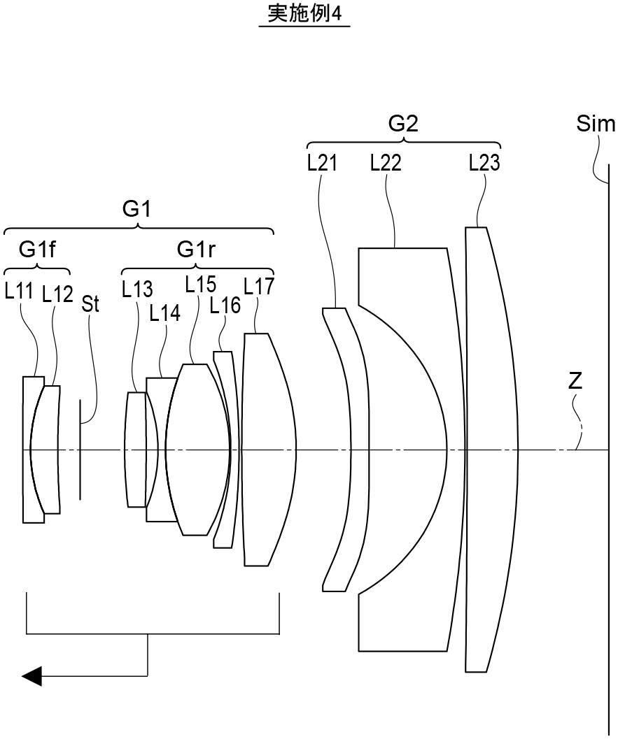
実施例4
- 焦点距離:28.3541
- F値:3.60
- 画角:82.4
- バックフォーカス:6.5825
実施例7
- 焦点距離:29.3800
- F値:4.12
- 画角:79.8
- バックフォーカス:5.9173
- 29mm F4
- 28mm F3.6
- 35mm F4
- 28mm F4
28mmはGFXセンサー(44×33mm)用としてはイメージサークルが不足しているものの、35mm F4はカバーしている模様。いずれにせよ歪曲収差が強めに残存しているので、不足している像高は歪曲収差の補正時に四隅を引き延ばす想定なのかもしれません。
バックフォーカスからレンズ交換式カメラ用とは思えず、おそらく「GFX100RF」の固定式レンズに使われている光学系と予想。
- 発売日:2025年4月10日(木)
- 予約開始日:2025年3月21日 10:00
- 希望小売価格:オープン
- 売り出し価格:747,450円
- B&H:4899ドル
| FUJIFILM GFX100RF ブラック | |||
| 楽天市場 |
Amazon |
キタムラ |
|
| ビックカメラ | マップカメラ | ||
| メルカリ |
キタムラで中古在庫を探す |
||
| FUJIFILM GFX100RF シルバー | |||
| 楽天市場 |
Amazon |
キタムラ |
|
| ビックカメラ | マップカメラ | ||
| メルカリ |
キタムラで中古在庫を探す |
||
特許関連記事
- シグマ「85mm F1.2」「105mm F1.4」「135mm F1.4」光学系の特許出願
- シグマ「125-700mm F6.3-9」「150-600mm F5-6.3」光学系の特許出願
- XF23mmF2.8 R WR関連と思われる光学系の特許出願
- キヤノン「130mm F1.8」「300mm F2.8」「500mm F5.6」光学系の特許出願
- キヤノン「85mm F1.4」「135mm F2.0」「55mm F1.8」光学系の特許出願
- タムロン 90mm F/2.8 Di III MACRO VXD と思われる光学系の特許出願
- シグマ「135mm F1.4」「180mm F1.4」「100mm F1.25」光学系の実施例
- キヤノン「10mm F2.8」「12mm F2.8」「18mm F2.8」「28mm F2.8」光学系の特許出願
- ニコン 空冷用ファンを搭載するカメラに関する特許出願
- ニコン「18mm F1.2」「24mm F1.2」「35mm F1.4」を想定したような光学系の特許出願
広告
*手動広告を試験的に導入しています。
![]()
期間限定セール
- OM SYSTEM ストア がホタル撮影特集で10%オフクーポンを配布中 / 対象製品一覧
- OM SYSTEM ブランドの双眼鏡が10%オフで購入できるクーポンを配布中
- Amazon初夏のお買い得SALE~6月2 / まとめ記事
- SmallRig 最大30%オフ 初夏ビックセール -6/2
- Antigravity A1 20%オフ
アウトレットなど
キャッシュバック
カメラメーカー直販・店舗リンク(楽天市場)